欢迎您光临 深圳市无界动力有限公司 官方网站!

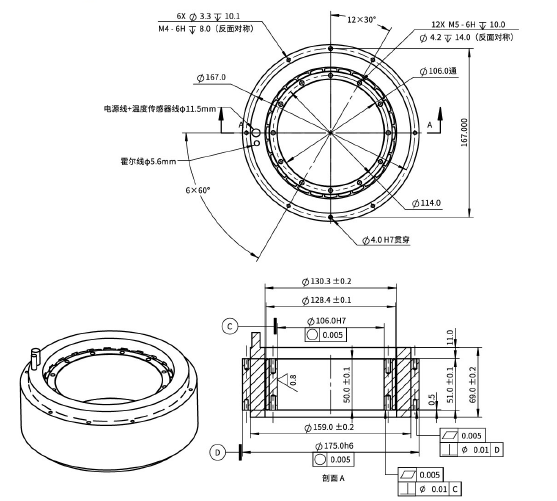
IDR175-H50 无框力矩电机

直驱式旋转电机 (Direct Drive Rotary Motor,简称 DD 电机)直接输出旋转运动,无须通过减速机等中间传动装置,具有低速大转矩、高定位精度、高响应速度、结构紧凑、噪声低、维护成本低等特点。德康威尔 DD 电机包括内转式、外转式、角度转台、无框电机等多种类型,重复定位精度可达 士1角秒,连续转矩从 1N.m~600N.m,直径从 60m...
产品内容
技术参数

直驱式旋转电机 (Direct Drive Rotary Motor,简称 DD 电机)直接输出旋转运动,无须通过减速机等中间传动装置,具有低速大转矩、高定位精度、高响应速度、结构紧凑、噪声低、维护成本低等特点。

德康威尔 DD 电机包括内转式、外转式、角度转台、无框电机等多种类型,重复定位精度可达 士1角秒,连续转矩从 1N.m~600N.m,直径从 60mm-440mm,具有多种规格供选取来满足更多的市场需求。

IDR175-H50 无框力矩电机  机械尺寸.png

IDR175-H50 无框力矩电机 性能参数.png

服务热线

服务热线

13725502025

微信咨询
直线电机/驱动器/德康威尔核心代理商-无界动力
返回顶部